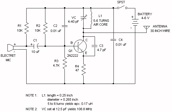
Rangkaian modulator FM merupakan rangkaian yang bertujuan untuk memproses
modulasi FM, yang nantinya juga akan menghasilkan sinyal FM. Dalam menghasilkan
sinyal FM, rangkaian ini berfungsi untuk menumpangkan sinyal informasi ke dalam
sinyal carier (pembawa) yang telah berubah frekuensinya. Di bawah ini merupakan
gambar dari rangkaian modulator FM.
Prinsip kerja dari modulator FM adalah pertama-tama sinyal informasi masuk
ke electret mic. Electret mikrofon
memiliki ketahanan yang tergantung pada seberapa keras anda berbicara ke
dalamnya. Mikrofon ini bertenaga baterai dan sesuai dengan Hukum Ohm (V = IR). Setelah
itu sinyal tersebut akan melintasi kapasitor C1, kapasitor C1 dapat memodulasi
arus sebelum masuk ke transistor. Sebuah kapasitor dapat dianggap sebagai
resistor tergantung pada frekuensi (disebut reaktansi).
Sementara itu, kapasitor C2 dan kapasitor C4 bertindak sebagai kapasitor
decoupling dan pada umumnya kapasitor yang digunakan besarnya 0,01 uF atau 0,1
uF. Kapasitor C4 berfungsi untuk menjaga
tegangan konstan di seluruh rangkaian meskipun fluktuasi tegangan baterai mati.
Selain itu, kapasitor C3 di transistor 2N2222A berfungsi untuk menjaga
rangkaian tangki bergetar. Rangkaian tangki merupakan jaringan LC (induktor dan
kapasitor) yang dapat menampung tegangan
AC pada frekuensi resonansi.
Dalam teori, selama ada pasokan tegangan yang melintasi induktor paralel
dan variabel kapasitor, rangkaian tangki tersebut harus bergetar pada frekuensi
resonansi yang tak terbatas. Namun dalam kenyataannya, frekuensi meluruh karena
kerugian pemanasan. Oleh sebab itu, kapasitor C3 digunakan untuk mencegah
pembusukan atau kerugian yang bisa menyebabkan rangkaian tangki tidak bergetar.
Di dalam rangkaian tersebut juga terdapat kapasitansi varaktor (VC) yang berfungsi
untuk mengendalikan frekuensi di dalam modulator. VC merupakan dioda yang
diberi tegangan balik, oleh sebab itu VC dapat berfungsi sebagai kapasitor
dimana nilai kapasitansinya tergantung pada tegangan yang diberikan. Jadi apabila
tegangan input pada varaktor berubah, maka frekuensi dalam modulator juga akan
berubah.
Sinyal informasi yang masuk ke dalam modulator tadi, akan dikuatkan setelah
melewati transistor 2N2222. Selain sinyal informasi, sinyal pembawa (carrier)
pun juga akan dikuatkan ketika melewati lilitan LI. Sinyal carrier yang telah membawa sinyal informasi pun akan didistribusikan
atau disalurkan melaluli antena yang akan diterima oleh demodulator yang dituju
dan akan menghasilkan informasi yang berasal dari modulator tersebut.







0 komentar:
Posting Komentar